- Promocja -6%
VOLKSWAGEN BEETLE - VW GARBUS (1999-2007) - instrukcja napraw Haynes
- Wydawnictwo: Haynes
- Autor: Haynes Publishing
- Ilość stron: 349
- Okładka: miękka
- Format: 277x217 mm
- Rok wydania: 2008
- Język: angielski
- Typ nośnika: Książka
- Język wydania: Angielski
- Typ pojazdu: Samochody osobowe
- Marka pojazdu: Volkswagen
VW New Beetle, modele produkowane od 1999 do 2007 roku. Poradnik zawiera opis modeli z silnikiem benzynowym i wysokoprężnym Diesla. Instrukcja w języku angielskim do nowego VW Garbusa. Książka napraw, instrukcja obsługi samochodu. Jesteśmy na allegro
Dostępna ilość:

Realizacja zamówienia:
Wysyłka w ciągu 24h
Koszt wysyłki od: 7,00 zł
- PayU
- PayPal
- Przelewy24
- Visa
- MasterCard
- GooglePay
- Blik
- ApplePay
-
Wysyłka GRATIS
Zrob zakupy za 275,00 zł a wysyłkę masz GRATIS
-
Dostawa do krajów EU
Paczki wysyłamy również do krajów Unii Europejskiej
Opis
INSTRUKCJA NAPRAW OPIS BUDOWY SAMOCHODU
VOLKSWAGEN VW NEW BEETLE (modele 1999-2007)
Czy chcesz wiedzieć jak naprawić VW Beetle (nowy Garbus)?
Odpowiedzią jest instrukcja Haynes
UWAGA!
Oferowana książka wydana jest w języku angielskim (niedostępna w polskiej wersji językowej). Podczas korzystania z instrukcji można skorzystać ze specjalnego słownika technicznego pobierając po kliknięciu angielsko-polski, ułatwiającego korzystanie z poradnika Haynes.
W książce opisano samochód Volkswagen New Beetle, Nowy Garbus z nadwoziem hatchback (mechanicznie również kabrio), modele produkowane od 1999 do 2007 roku. W książce uwzględniono edycje specjalne i modele limitowane.
Silniki benzynowe:
silnik o pojemności 1.4 litra (1390 cm3) - BCA,
silnik o pojemności 1.6 litra (1595 cm3) - AWH / AYD / BFS,
silnik o pojemności 1.8 litra turbo (1781 cm3) - AVC / AWU,
silnik o pojemności 2.0 litra (1984 cm3) - AQY / AZJ,
Silniki turbo diesla z wtryskiem bezpośrednim:
silnik o pojemności 1.9 litra (1896 cm3) - ALH,
silnik o pojemności 1.9 litra (1896 cm3) - ATD / AXR (z pompowtryskiwaczami),
Opis modeli z mechaniczną lub automatyczną skrzynią biegów.
W książce brak danych i parametrów charakterystycznych dla modeli z silnikiem 2.3 litra V5 oraz skrzyni biegów Tiptronic.
UWAGA!
Oferowana książka wydana jest w języku angielskim (niedostępna w polskiej wersji językowej). Podczas korzystania z instrukcji można skorzystać ze specjalnego słownika technicznego pobierając po kliknięciu angielsko-polski, ułatwiającego korzystanie z poradnika Haynes.
Volkswagen Beetle Petrol and Diesel (Apr 99 - 07) T-57 reg.
Haynes Service and Repair Manual
Książka napraw wydana przez angielskie wydawnictwo Haynes (Haynes Publishing Group) to prawdziwe kompendium wiedzy warsztatowej. Swoją zawartością stanowi cenny zbiór porad i praktycznych wskazówek serwisowych. Poradnik serwisowy Haynes z pewnością przyda się zarówno wykwalifikowanemu mechanikowi warsztatu samochodowego, jak również przeciętnemu użytkownikowi pojazdu, który w przydomowym garażu zechce wymienić olej czy dokonać drobnej naprawy we własnym zakresie.
Warto wspomnieć, że motoryzacyjne podręczniki Haynesa powstają na podstawie całkowitego rozłożenia samochodu lub motocykla na części przez doświadczonych mechaników, a następnie jego ponownego złożenia i szczegółowego udokumentowania krok po kroku każdej czynności. W ten sposób powstaje bardzo dokładny opis samochodu, wzbogacony licznymi zdjęciami i rysunkami złożeniowymi. Istotnym elementem książki serwisowej są zawarte w niej schematy instalacji elektrycznej samochodu i motocykla.
Volkswagen Beetle Petrol and Diesel (Apr 99 - 07) T-57 reg.
Haynes Manuals
Hatchback (plus major mechanical features of Cabriolet), inc. special/limited editions. Does NOT cover Tiptronic transmission
Petrol engines:
1.4 litre (1390cc),
1.6 litre (1595cc),
1.8 litre (1781cc) turbo,
2.0 litre (1984cc).
Does NOT cover 2.3 litre V5 engine.
Diesel engines:
1.9 litre (1896cc) turbo, inc. PD
VW Volkswagen Beetle Owners Workshop Manual step-by-step maintenance and repair
Instrukcje i poradniki wydawnictwa Haynes to najobszerniejsze opracowanie na temat naprawy oraz obsługi samochodów i motocykli.
Poradniki Haynes Manuals zawierają:
wskazówki i dane eksploatacyjne (bieżąca obsługa pojazdu)
dane naprawcze (instrukcje krok po kroku)
wyszukiwanie i diagnozowanie usterek
dane regulacyjno - naprawcze
wymiary i wagi
naprawy poszczególnych podzespołów
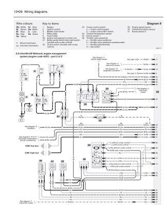
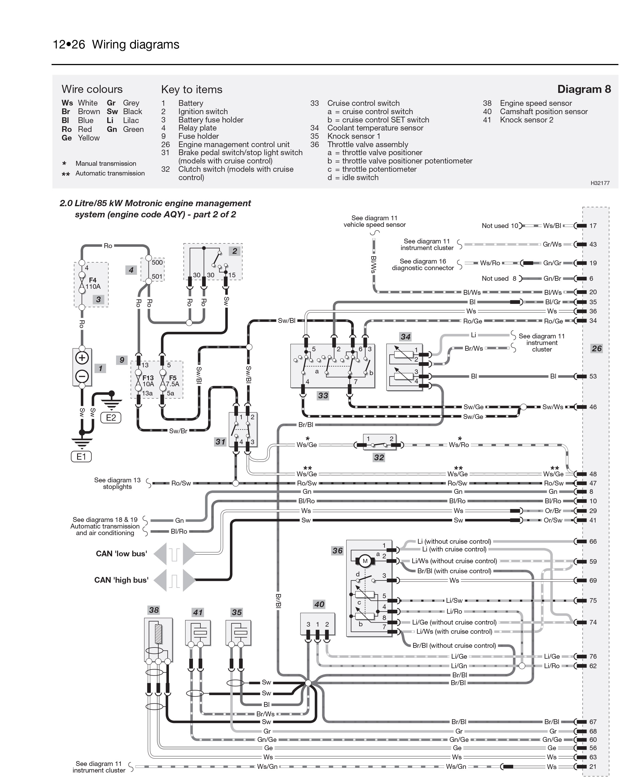
schematy instalacji elektrycznych VW Beetle
indeks poszczególnych elementów (szybsze wyszukiwanie)
instrukcja bogato ilustrowana
Wydawnictwo Haynes (Haynes Publishing Group) – brytyjski wydawca znany przede wszystkim z serii poradników motoryzacyjnych zatytułowanych Haynes Owners Workshop Manual (w skrócie nazywanymi Haynes Manuals). Przeznaczone tak dla hobbystów, jak i profesjonalnych mechaników samochodowych podręczniki opisują szczegółowo budowę, obsługę i naprawę popularnych modeli samochodów i motocykli.
Spis treści
Typowy poradnik Haynes Manuals zawiera:
Opis i identyfikację modelu
Uwagi na temat bezpieczeństwa
Awaryjne naprawy w drodze
Co zrobić jeśli twój samochód nie chce odpalić?
Sposoby awaryjnego uruchomienia silnika (rozruch "na pożyczkę")
Zmiana koła
Identyfikacja nieszczelności
Holowanie pojazdu
Czynności obsługowe (cotygodniowe kontrole) w samochodzie VW Beetle
Wykaz punktów kontroli i sprawdzeń
Sprawdzenie poziomu oleju
Sprawdzenie poziomu płynu chłodzącego
Sprawdzenie poziomu płynu do spryskiwaczy
Sprawdzenie stanu opon i ciśnienia w ogumieniu
Sprawdzenie poziomu płynu hamulcowego i sprzęgła
Sprawdzenie płynu w układzie wspomagania kierowniczego
Sprawdzenie i ocena stanu wycieraczek
Sprawdzenie sprawności akumulatora
Sprawdzenie systemów i układów elektrycznych pojazdu
Smary i płyny eksploatacyjne - wykaz
Ciśnienie w oponach - tabela dla typowych rozmiarów kół
Konserwacja pojazdu
Rutynowa konserwacja i serwis pojazdu
Specyfikacja czynności serwisowych
Harmonogram obsług technicznych i przeglądów okresowych
Zakres czynności obsługowych
Naprawy i przeglądy samochodu
Obsługa silnika i układów z nim związanych
Procedury naprawcze i wskazówki serwisowe
Demontaż silnika i procedura przeglądu
Układ chłodzenia, ogrzewania i klimatyzacji
Układ paliwowy i wydechowy
Katalizator i układ kontroli emisji spalin
Rozrusznik i alternator
Układ zapłonowy
Przekładnia
Sprzęgło
Skrzynia manualna
Skrzynia automatyczna
Wały napędowe
Hamulce i zawieszenie samochodu
Układ hamulcowy
Zawieszenie i układ kierowniczy
Wyposażenie pojazdu VW Beelte
Nadwozie i wyposażenie
Wyposażenie elektryczne
Schematy elektryczne
Charakterystyka pojazdu VW Beetle
Wymiary i waga samochodu
Przeliczniki jednostek
Zakup części zamiennych
Identyfikacja i oznaczenia pojazdu
Ogólne procedury naprawy
Podnoszenie pojazdu
Odłączenie akumulatora
Narzędzia i warunki do pracy
Kontrole stanu technicznego
Diagnostyka i identyfikacja błędów
Słowniczek pojęć technicznych
Książka napraw, instrukcja obsługi do VW Volkswagena New Beetle (silniki benzynowe i Diesla), zawiera modele 1999-2007 - zapraszamy do zakupu!
Zapytaj o ten produkt









